Kontaktieren Sie uns
Produktnummer:
9002555
Hersteller: rastelli
Versandart: Standard
Hersteller: rastelli
Versandart: Standard
Produktinformationen "Flanschkugelhahn PN16 voller Durchgang DN65 Grauguss"
• G 25
• Für Wasser, Heizöl, Kraftstoffe, Hydraulik, Druckluft usw.
• Voller Durchgang
• Max. Betriebsdruck PN 16
• Temperaturbereich: -10°C bis +80°C abhängig vom Betriebsdruck
• Kugel aus Messing MS 58, Hohlkugel, hartverchromt
• Dichtung aus Teflon
max. Betriebsdruck PN 16
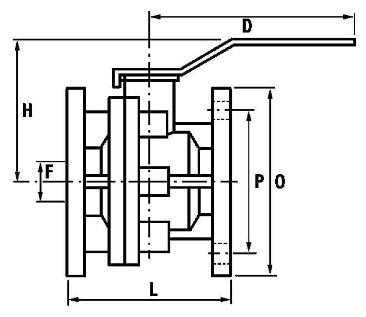
Technische Daten
PN [bar]: 16
L [mm]: 170
D [mm]: 285
H [mm]: 150
Größe: DN 65
F [mm]: 63
O [mm]: 185
P [mm]: 145
Wichtiger Hinweis!
Gerne können Sie als Privatperson alle angebotene Artikel bei uns bestellen, wir weisen jedoch ausdrücklich darauf hin, dass die Installation durch einen zugelassenen Fachbetrieb durchzuführen ist. Bitte beachten Sie die Montage- und Bedienungsanleitungen der Hersteller!
rastelli

Rastelli Rubinetterie srl
Regione Monticelli, 10-14
28045 INVORIO – NO
Tel. +39 0322 259691
Fax +39 0322 254761
info@rastelli.it